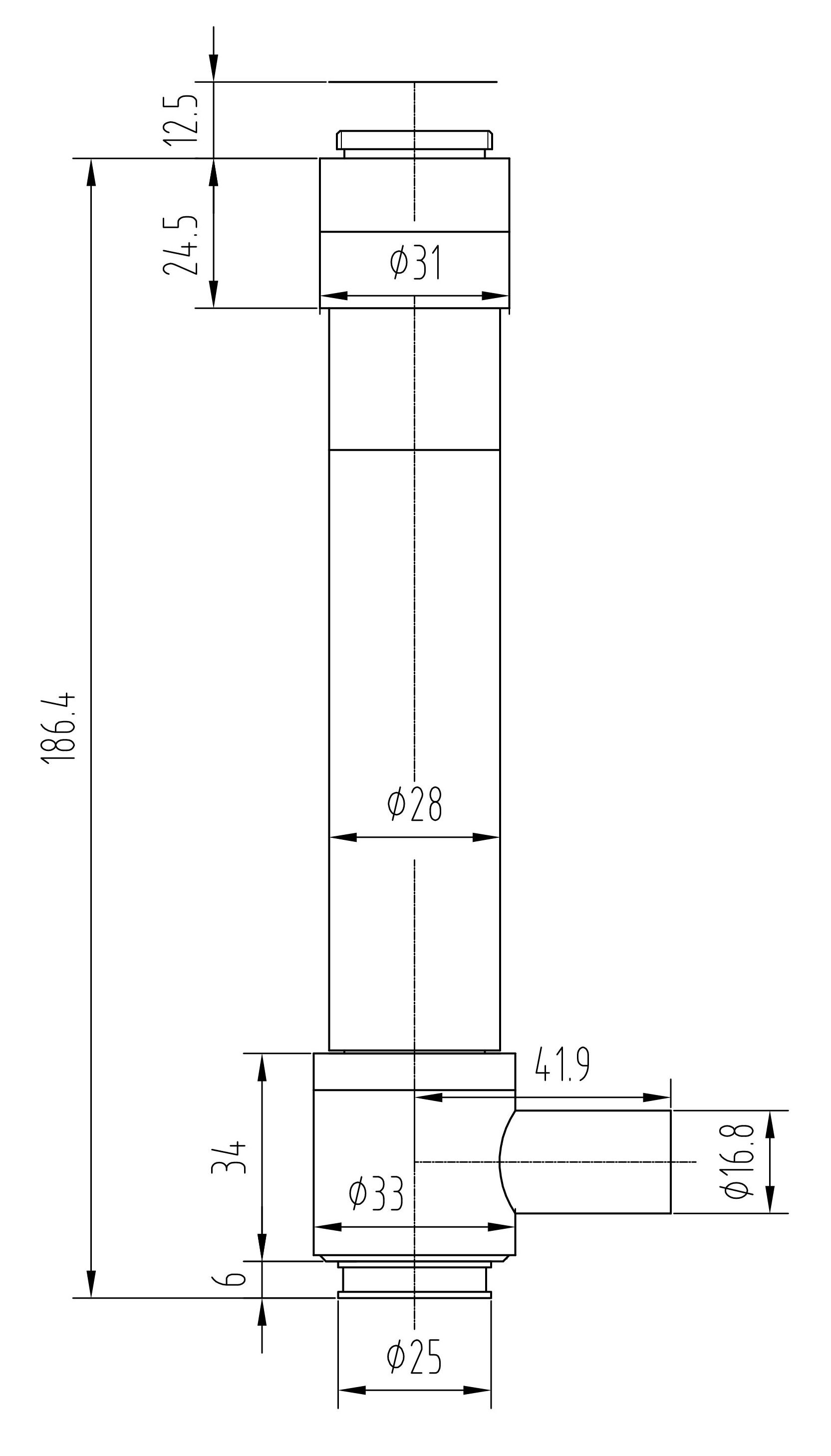
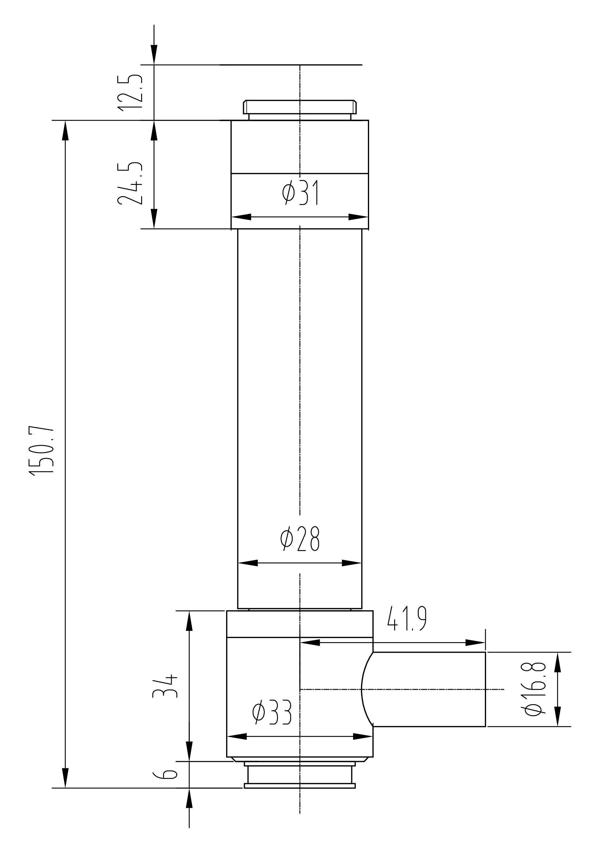
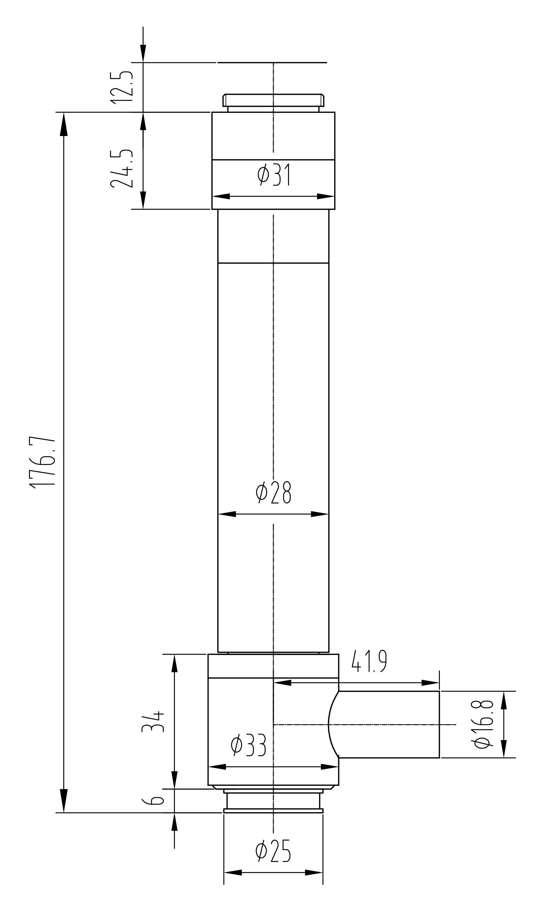
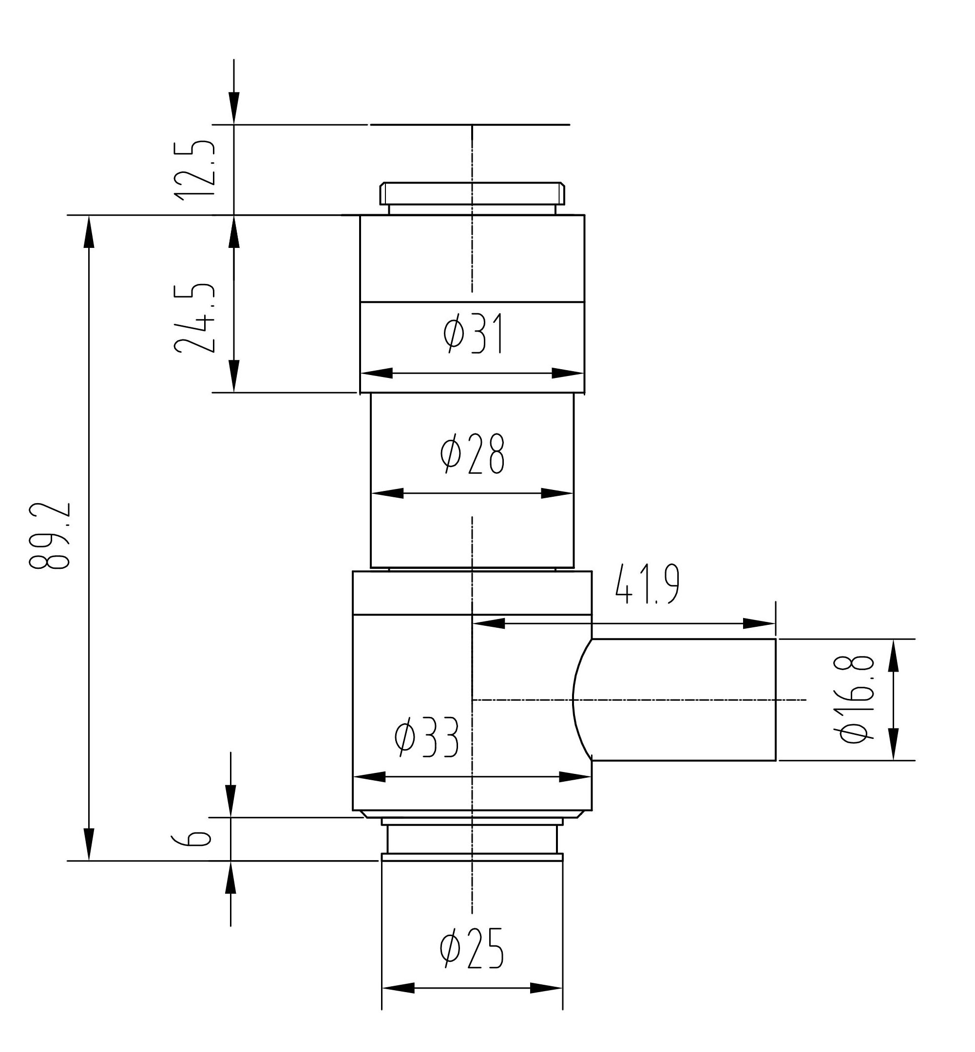
桂林市邁特光學儀器有限公司
Guilin Microtech Optical Instrument Co., Ltd. (MTO)
表1:配1X前組物鏡時的參數(工作距離:82mm)
|
鏡頭型號 |
物鏡倍數 |
總放大倍 |
視場(mm) |
|
|
1/3"、9" |
1/3"、17" |
|||
|
0.7X |
28X |
42X |
6.9X5.1 |
|
|
1.0X |
40X |
60X |
4.8X3.6 |
|
|
2.0X |
80X |
120X |
2.4X1.8 |
|
|
3.0X |
120X |
180X |
1.6X1.2 |
|
|
4.0X |
160X |
240X |
1.2X0.9 |
|
|
5.0X |
200X |
300X |
0.96X0.72 |
|
|
6.0X |
240X |
360X |
0.8X0.6 |
|
|
8.0X |
320X |
480X |
0.60X0.45 |
|
表2:使用不同前組物鏡時的參數
|
前組物鏡 |
項目 |
MTDP10 |
MTDP07 |
MTDP20 |
MTDP30 |
MTDP40 |
MTDP50 |
MTDP60 |
MTDP80 |
|
1X |
光學放大倍率 |
1.0X |
0.7X |
2.0X |
3.0X |
4.0X |
5.0X |
6.0X |
8.0X |
|
景深(μm) |
412.4 |
589.1 |
206.2 |
137.5 |
103.1 |
82.5 |
68.7 |
51.5 |
|
|
0.3X |
光學放大倍率 |
0.3X |
0.21X |
0.6X |
0.9X |
1.2X |
1.5X |
1.8X |
2.4X |
|
景深(μm) |
4597.7 |
6568.1 |
2298.9 |
459.8 |
1149.4 |
919.5 |
766.3 |
574.7 |
|
|
0.5X |
光學放大倍率 |
0.5X |
0.35X |
1.0X |
1.5X |
2.0X |
2.5X |
3.0X |
4.0X |
|
景深(μm) |
1666.7 |
2381.0 |
833.3 |
555.6 |
416.7 |
333.3 |
277.8 |
208.3 |
|
|
0.75X |
光學放大倍率 |
0.75X |
0.5X |
1.5X |
2.3X |
3.0X |
3.8X |
4.5X |
6.0X |
|
景深(μm) |
740.7 |
1111.1 |
370.4 |
241.5 |
185.2 |
146.2 |
123.5 |
92.6 |
|
|
1.5X |
光學放大倍率 |
1.5X |
1.1X |
3.0X |
4.5X |
6.0X |
7.5X |
9.0X |
12.0X |
|
景深(μm) |
190.5 |
259.7 |
95.2 |
63.5 |
47.6 |
38.1 |
31.7 |
23.8 |
|
|
2X |
光學放大倍率 |
2X |
1.4X |
4.0X |
6.0X |
8.0X |
10.0X |
12.0X |
16.0X |
|
景深(μm) |
105.3 |
150.4 |
52.6 |
35.1 |
26.3 |
21.1 |
17.5 |
13.2 |
|
|
5X |
光學放大倍率 |
5X |
3.5X |
10X |
15X |
20X |
25X |
30X |
40X |
|
景深(μm) |
16.7 |
23.8 |
8.3 |
5.6 |
4.2 |
3.3 |
2.8 |
2.1 |
表3:使用不同前組物鏡時的參數
|
前組物鏡 |
1X |
0.3X |
0.5X |
0.75X |
1.5X |
2X |
5X |
|
工作距離(mm) |
82 |
293 |
175 |
117 |
54 |
35 |
10.1 |
|
分辨率(μm) |
3.5 |
11.6 |
7 |
4.7 |
2.4 |
1.8 |
0.7 |
|
NA |
0.097 |
0.029 |
0.048 |
0.072 |
0.14 |
0.19 |
0.48 |





